CW系列圓弧圓柱蝸桿減速機(jī)
![]() |
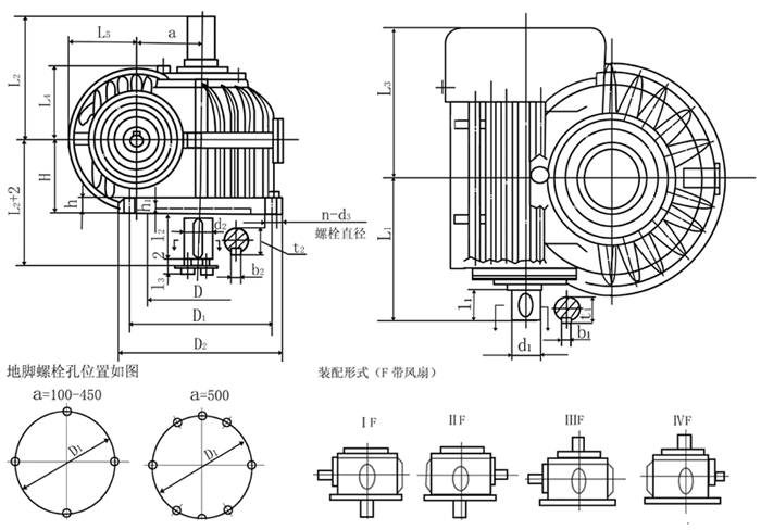
圓弧圓柱蝸桿減速機(jī) 型號(hào)\尺寸 | a | B1 | B2 | B3 | B4 | C1 | C2 | C3 | D | h | h1 | i≤12.5 | ||||
d1 | I1 | b1 | t1 | L1 | ||||||||||||
63 | 63 | 155 | 245 | 140 | 105 | 125 | 90 | 125 | 190 | 23 | 5 | 19js6 | 28 | 6 | 21.5 | 128 |
80 | 80 | 180 | 270 | 160 | 110 | 150 | 95 | 145 | 210 | 23 | 5 | 24js6 | 36 | 8 | 27 | 151 |
100 | 100 | 220 | 325 | 200 | 125 | 190 | 110 | 185 | 240 | 23 | 5 | 28js6 | 42 | 8 | 31 | 182 |
型號(hào)\尺寸 | i≥16 | d2 | I2 | b2 | t2 | L2 | L3 | L4 | H | d3 | kg(不含油) | ||||
d1 | I1 | b1 | t1 | L1 | |||||||||||
63 | 19js6 | 28 | 6 | 21.5 | 128 | 32k6 | 58 | 10 | 35 | 135 | 97 | 70 | 75 | M12 | 19 |
80 | 24js6 | 36 | 8 | 27 | 151 | 38k6 | 58 | 10 | 41 | 143 | 110 | 81 | 80 | M12 | 28 |
100 | 24js6 | 36 | 8 | 27 | 176 | 42k6 | 82 | 12 | 45 | 182 | 130 | 95 | 95 | M12 | 42.5 |

圓弧圓柱蝸桿減速機(jī)
型號(hào)\尺寸 | a | D | D1 | D2 | L3 | L4 | L5 | h | h1 | H | i≤12.5 | ||||
d1 | I1 | b1 | t1 | L1 | |||||||||||
125 | 125 | 230 | 280 | 320 | 202 | 134 | 125 | 32 | 8 | 132 | 32k6 | 58 | 10 | 35 | 218 |
160 | 160 | 300 | 360 | 400 | 245 | 157 | 142 | 32 | 8 | 160 | 42k6 | 82 | 12 | 45 | 277 |
200 | 200 | 370 | 435 | 480 | 295 | 181 | 180 | 38 | 8 | 190 | 48k6 | 82 | 14 | 51.5 | 324 |
250 | 250 | 470 | 540 | 600 | 360 | 210 | 210 | 40 | 8 | 212 | 55k6 | 82 | 16 | 59 | 380 |
280 | 280 | 550 | 640 | 700 | 390 | 226 | 215 | 45 | 8 | 225 | 60m6 | 105 | 18 | 64 | 430 |
315 | 315 | 605 | 700 | 760 | 430 | 243 | 235 | 50 | 10 | 250 | 65m6 | 105 | 18 | 69 | 470 |
355 | 355 | 700 | 805 | 880 | 480 | 256 | 235 | 55 | 10 | 265 | 70m6 | 105 | 20 | 74.5 | 515 |
400 | 400 | 765 | 875 | 950 | 515 | 278 | 247 | 60 | 10 | 265 | 75m6 | 105 | 20 | 79.5 | 545 |
450 | 450 | 875 | 990 | 1070 | 565 | 300 | 275 | 65 | 10 | 315 | 80m6 | 130 | 22 | 85 | 625 |
500 | 500 | 1000 | 1100 | 1180 | 655 | 344 | 300 | 75 | 10 | 375 | 90m6 | 130 | 25 | 95 | 680 |
型號(hào)\尺寸 | i≥16 | d2 | I2 | b2 | t2 | L2 | I3 | 地腳螺栓 | kg(不含油) | ||||||
d1 | I1 | b1 | t1 | L1 | d3 | n | |||||||||
125 | 28js6 | 42 | 8 | 31 | 202 | 55k6 | 82 | 16 | 59 | 222 | 14 | M12 | 4 | 95 | |
160 | 32k6 | 58 | 10 | 35 | 253 | 65m6 | 105 | 18 | 69 | 270 | 15 | M16 | 4 | 150 | |
200 | 38k6 | 58 | 10 | 41 | 300 | 80m6 | 130 | 22 | 85 | 325 | 17 | M16 | 4 | 270 | |
250 | 42k6 | 82 | 12 | 45 | 380 | 100m6 | 165 | 28 | 106 | 385 | 17 | M20 | 4 | 410 | |
280 | 48k6 | 82 | 14 | 51.5 | 407 | 110m6 | 165 | 28 | 116 | 405 | 17 | M24 | 4 | 550 | |
315 | 48k6 | 82 | 14 | 51.5 | 447 | 120m6 | 165 | 32 | 127 | 420 | 17 | M24 | 4 | 750 | |
355 | 55k6 | 82 | 16 | 59 | 492 | 130m6 | 200 | 32 | 137 | 470 | 17 | M30 | 4 | 930 | |
400 | 60m6 | 105 | 18 | 64 | 545 | 150m6 | 200 | 36 | 158 | 490 | 24 | M30 | 4 | 1200 | |
450 | 65m6 | 105 | 18 | 69 | 600 | 170m6 | 240 | 40 | 179 | 560 | 24 | M36 | 4 | 1650 | |
500 | 70m6 | 105 | 20 | 74.5 | 655 | 190m6 | 280 | 45 | 200 | 640 | 24 | M30 | 6 | 2190 | |